SipSecure
SipSecure rethinks everyday drinking for seniors with limited mobility—designed to prevent spills while walking with crutches, supporting confidence and autonomy.
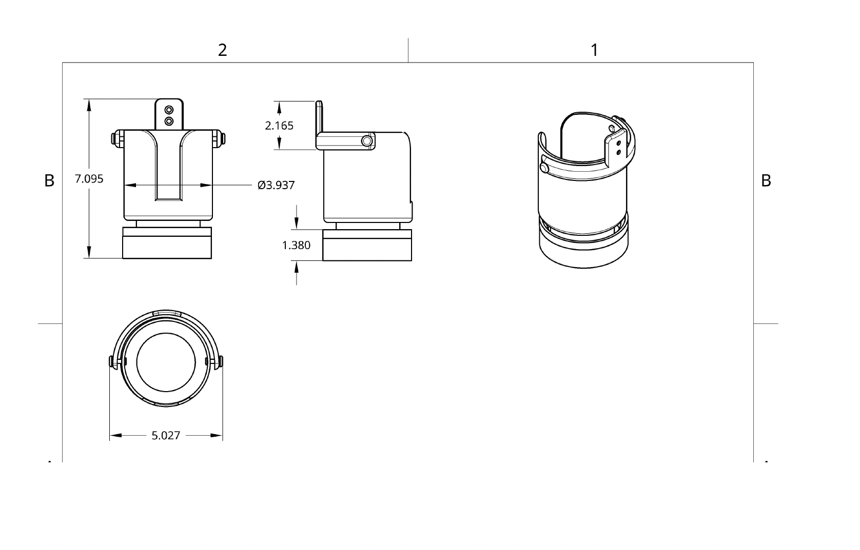
SipSecure is a mobility-assist product that lets crutch users carry a drink safely while walking. It mounts directly onto crutches so the user can move hands-free—reducing spills, improving confidence, and supporting independence.
- Identified the problem + defined target user needs (seniors/crutch users)
- Designed the form factor and attachment concept
- Built CAD iterations (holder + clamp + base stabilization)
- Refined usability details: grip, stability, cleaning, assembly
- Created final presentation visuals and product story
- Research: Focused on real constraints—hands occupied, balance, and common spill moments while walking.
- Ideation: Explored mounting positions + cup geometry that keeps a drink upright during motion.
- Iteration: Multiple CAD passes to improve clamp security, reduce wobble, and improve stability.
- Validation: Tested fit and movement scenarios to check tilting, clearance, and comfort.
- Designed a stable crutch-mounted drink holder with a secure clamp concept
- Improved spill prevention by focusing on stability + weight distribution
- Next: user testing with different crutch models, material optimization, and a universal adjustable attachment system
Crutch users often have to choose between mobility and carrying everyday items like drinks. Hands are occupied, balance is critical, and spills happen during small moments—turning, stopping, uneven ground.
Stability matters more than “grip.” The center of mass + mounting position decide whether the drink stays upright during motion.
Designed a crutch-mounted holder with a secure clamp concept and a bottom-weighted form to reduce wobble and keep the drink upright while walking.
- Must attach to standard crutch tubing
- Cannot interfere with grip or forearm support
- Stable while walking + during stops/turns
- Easy to detach + clean
- Reducing wobble beats adding “more grip”
- Weight distribution is the core of spill prevention
- Next: test across multiple crutch models + build a universal adjustable clamp
Crutch users must constantly choose between mobility and carrying small everyday objects like drinks. Hands are occupied, balance is critical, and even small instability can lead to spills or risk of falling.
Stability matters more than grip strength. The center of mass and mounting position are more important than simply “holding the cup.”
Designed a bottom-weighted holder with a secure clamp system positioned to minimize tilt while walking, reducing wobble and maintaining balance.
- Must attach to standard crutch tubing
- No interference with grip or forearm support
- Stable while walking on uneven ground
- Easy to detach and clean





